本製品は、最大平均出力300 Wのレーザーパルスを安定して供給し、パルス幅や繰り返し周波数を対象物に合 わせて柔軟に制御できる設計を採用しています。これにより、従来の100 W機では除去に時間を要していた厚 いサビ、強固な塗膜、溶接後の付着物(酸化スケールなど)に対しても最適な処理が可能です 。高出力によ る処理速度の向上と、素材への影響を抑えた仕上がりの両立を実現しています 。
また、高出力化に伴う発熱・消費電力の問題に対しては、実績のある空冷方式をベースに設計を最適化し、 電源系統の効率的な構成を実現しました。これにより、100 V・15 Aの商用電源での運用が可能で、安定した連続稼働を可能にし、多様な現場環境へ導入できる仕様を備えています。
また、使用環境への配慮として、粉塵侵入を抑制するエアフィルターを新たに採用しました。内部への粉塵などの侵入を抑えることで、高出力稼働時でも故障リスクを低減し、より安定した運用を実現しました。
■製品概要
・製品名:300W レーザークリーナー
・型式 :LCS2-SSH300A-DA
・価格 :お問い合わせください(https://www.symphotony.com/lasercleaner_contact/)
・納期 :お問い合わせください(https://www.symphotony.com/lasercleaner_contact/)
・製品ページ:https://www.symphotony.com/products/cleaner/lcs2-ssh300a-da/
■ お問い合わせ先
株式会社 光響 レーザークリーナーチーム
担当:山形
お問い合わせフォーム:
https://www.symphotony.com/lasercleaner_contact/
カタログダウンロードフォーム:
https://www.symphotony.com/contactus/lcs2-ssh300a-da-sheet_form/
Tel : 080-2375-9187(平日9時~18時、土日祝日は除く)
メール:cleaner-inquily@symphotony.com
■ 製品イメージ

■ 製品特長
・300 Wの高出力で作業効率を向上
300 Wの高出力を実現したことで、従来の100 W機の約3倍の速度で作業が可能になりました。
パルス幅や繰 り返し周波数を自由に変更できるため、サビだけでなく、塗装や溶接焼けなどの落としづらい汚れも、より効率的に除去が可能です。
・現場の声を反映した設計
空冷方式を採用したキャスター付きのコンパクトボディにより、優れた可搬性を実現しています。
単相 100 V・15 Aの商用電源に対応しており、特別な設備を必要とせず、場所を選ばず使用可能です。

・長時間作業でも負担を抑える軽量ヘッド
軽量で扱いやすいヘッドデザインにより、作業者の腕への負担を軽減しました。 現場での使いやすさを最優 先にし、誰でも扱いやすい一台に仕上がっています。 また、お客様より好評をいただいております、誤操作を防止する「ダブルスイッチ機能」を本機種でも採用し ており、安全面への配慮も行っております。軽量で扱いやすいだけでなく、誰もが安心して使用できる操作性を実現しています。

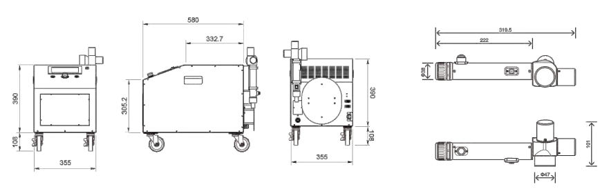
■ 外形寸法

企業プレスリリース詳細へ
PRTIMESトップへ

