南海電設株式会社(本社:大阪府大阪市、代表取締役社長:大前良平)は、昨年度、発売開始した EV 充電器用置き基礎「NTV600」の累計出荷台数が 300 台を突破したことをお知らせします。
本製品は、従来のPit-2G(ピットツージー)シリーズに加え、日東工業が新しく販売を開始した普通充電器「 Pit 3G (ピットスリージー)シリーズ」の専用置き基礎としても対応いたします。発売以来、従来の基礎工事の課題を解決する製品として高い評価を得てきた NTV600 は、最新の EV 充電器にも対応することで、多様な設置現場における安全かつ省力化された基礎工事の実現に貢献してまいります。
- 施工動画:https://youtu.be/oP1lzKlBGP8


特許出願公開済(特許公開番号:特開2025-093419)
- 開発と累計出荷台数 300 台突破の背景
政府は、2035 年までに新車販売のすべてを電動車率 100%にする目標を掲げ、EV 充電器の設置目標も 2030 年までに 30 万口へと大幅に引き上げました 。その一方で、材料費、人件費の高騰や、設置補助金の採択基準の厳格化が進む中で、EV 充電器の基礎工事は施工業者・施設運営者にとって大きな費用と労務の負担となっていました 。また、基礎工事の安全性を担保することも重要な課題でした 。
こうした市場の課題を解決するため、南海電設、日東工業、東洋ベースの三社のノウハウを結集し、安全で且つ、省コスト、省施工で基礎工事が行える置き基礎「NTV600」を開発 。従来の基礎工事の課題を解決する高い施工性と信頼性が評価され、この度、累計出荷台数 300 台を突破いたしました。
- 新機種 Pit-3G シリーズへの対応
「NTV600」は、日東工業が新たに販売を開始した普通充電器「Pit-3G シリーズ」の専用置き基礎としても対応いたしました。 Pit-3G シリーズは、シルバーを基調としたスタイリッシュなフォルムを採用し、高級ホテルやリゾートエリアなど、意匠性が求められる設置環境にフィットする最新機種です

- NTV600 の特長
信頼の安全性
・1 階及び地表への設置に対しては、耐震クラスA を実現。アンカーを併用することでアスファルト舗装面でも耐震クラスS を確保しています。 ※1
・風速 40m/s の「猛烈な風」の中でも十分な耐風圧強度を満足しています。 ※2
※1 耐震クラスは建築設備耐震設計・施工指針 2014 年度版に準じます。
Pit-2G ・3G専用の自立スタンドに本体 2 台を取り付ける場合、充電ケーブル長さ 7m までは基準
をクリアします。充電ケーブル長さ 10m の場合は基準をクリアしませんのでご注意ください。
Pit-2G オプションのケーブルマネージメントはご利用いただけません。
※2 参考資料:気象庁 風の強さと吹き方より
https://www.jma.go.jp/jma/kishou/know/yougo_hp/kazehyo.html
設置コストの大幅低減
・設置場所の掘削、コンクリート打設等の土木工事必要とせず、従来工法の約 1/2 以下(当社比)の費用で設置が可能となりました。
設置時間の大幅短縮
・1 ピースが 30 kg以下の 4 分割構造(合計 120 kg以下)で構成されており、1 人で搬入、設置、施工が可能です。
・従来工法で 2 日以上を要していた基礎工事がわずか 10 分程度で完了します。
高い自在性
・四方のいずれからも露出配線できるような入線口を設けており、設置場所の調整や撤去時の原状回復が容易です。
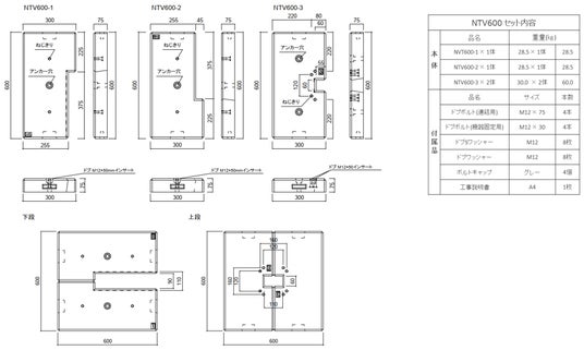
- 製品概要

■販売・施工・製品についてのお問い合わせ先
南海電設株式会社 ソリューション営業課
メールアドレス:info-base@ev-chargeconnect.com
EV 充電サービス特設サイト URL: https://ev-chargeconnect.com/
※株式会社 MonotaRO 社の『モノタロウ』でも「NTV600」の取り扱いを開始いたしました。
以下 URL からでもご購入が可能ですので、ご利用ください。
https://www.monotaro.com/g/06815104/
■EV 充電器についてのお問い合わせ先
日東工業株式会社EV インフラ事業室マーケティング課
メールアドレス:ev.contactnet.mark@nito.co.jp
EV 用充電設備特設サイトURL:https://www.nito.co.jp/quick/evstand/
■製造・品質についてのお問い合わせ先
東洋ベース株式会社
URL:http://www.toyo-base.co.jp/contact/
企業プレスリリース詳細へ
PRTIMESトップへ

